Find It Here

Location

Prime industries, inc.
4611 Main Street
Lisle, Illinois 60532

Office:(630) 725-9200
Fax: (630) 725-9201
sales@piilab.com

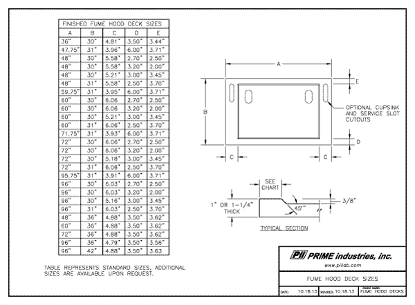
Fume Hood Decks

Download drawing – Pdf