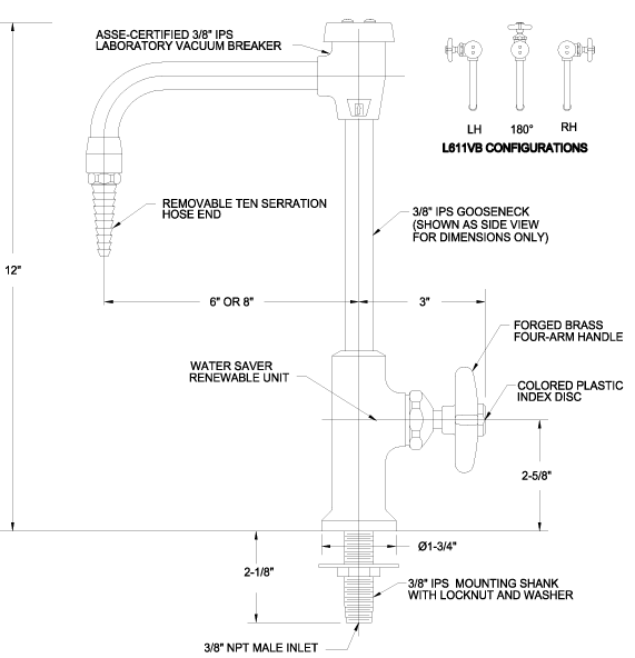
Water Faucet – L611VB Single faucet with 6″ rigid vacuum breaker gooseneck
L611VB
Deck mounted laboratory single faucet with 6″ rigid vacuum breaker gooseneck
Download AutoCad Drawing and PDF
L611VB.zip 378.90 Kb
Deck mounted laboratory single faucet with 6″ rigid vacuum breaker gooseneck
Download AutoCad Drawing and PDF
CSA certified under CAN/CSA B125.M89.
Complies with ANSI/ASME A112.18.1M.
Complies with ANSI/ASME A112.18.1M.
Measurements may vary +/- 1/4″

