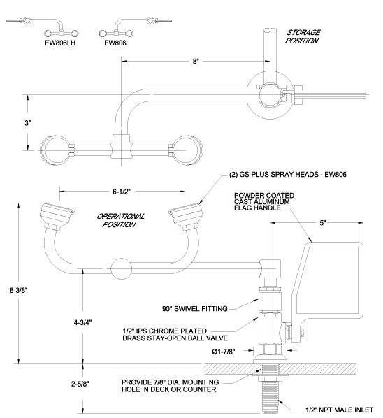
EW806 – Deck mounted eye wash
EW806
Deck mounted eye wash w/ two gentle spray outlet heads, stay-open ball valve, and 90o swivel feature (Right hand mounting)
Download AutoCad Drawing and PDF
EW806.zip 376.21 Kb
Notes:
Each gentle spray outlet head has a removable delrin spray cover, reticulated polyurethane filter, self-regulating flow control, and float-off dust cover.
Measurements may vary +/- 1/4″

